地址:浙江省温州市乐清市淡溪镇黄塘村声远路 10号
联系人:林先生
电话:15058777898
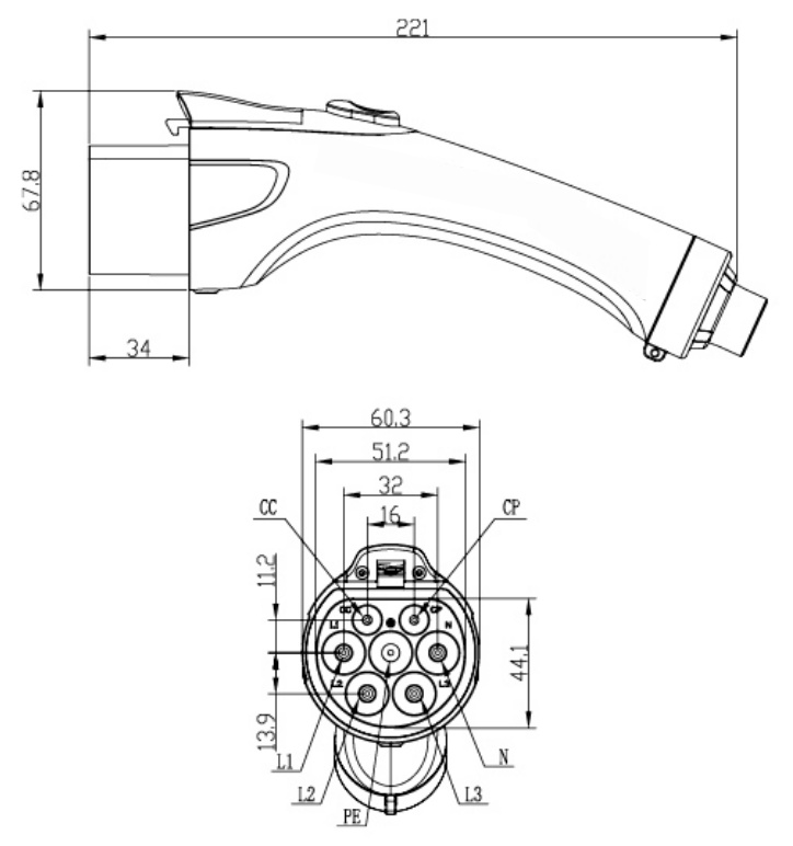
| 额定工作电流 | 16A-32A | 工作电压 | 250/440V | 绝缘电阻 | > 500MΩ(DC500V) |
|---|---|---|---|---|---|
| 接触阻抗 | 0.5mΩ Max | 端子温升 | < 50K | 耐压 | 2500V |
| 工作环境温度 | -30℃ ~ +50℃ |
|---|---|
| 防护等级 | IP55 |
| 机械寿命 | 空载插拔 > 10000次 |
|---|---|
| 耦合时插拔力 | 45N < F < 100N |
| 抗冲击力 | 可承受1米高度跌落与2吨汽车碾压 |
| 外壳 | 热塑性塑料,阻燃等级 UL94 V-0; 外壳颜色:白色 / 黑色 |
|---|---|
| 端子 | 铜合金,表面镀银 |

| 产品型号 | 线缆规格 |
|---|---|
| CEC-A32-C001 | 32A 单项 3x6mm²+1x0.75mm²/TPE, Φ16±0.5 |
地址:浙江省温州市乐清市淡溪镇黄塘村声远路 10号
联系人:林先生
电话:15058777898
扫一扫二维码